首页
新闻咨询
展会新闻
行业新闻
公司新闻
产品中心
电气布线类
机械布线类
接线端子类
线缆标识类
束线套管类
护线环类
应用案例
关于我们
公司介绍
联系方式
公司资质
体系认证
产品认证
服务热线 Service Hotline
139-6177-1104
首页
Home
新闻咨询
News
展会新闻 / Expo News
行业新闻 / Industry News
公司新闻 / Company News
产品中心
Product
电气布线类 / Electrical wiring category
机械布线类 / Mechanical wiring category
接线端子类 / Terminal block type
线缆标识类 / Cable identification category
束线套管类 / Bundle conduit type
护线环类 / Wire protection ring type
应用案例
Case
关于我们
AboutUs
公司介绍 / Company Profile
联系方式 / contact information
公司资质
Contact Us
体系认证 / System certification
产品认证 / Product certification
公司资质
当前位置:
网站首页
>
公司资质
>
产品认证
产品认证
Product certification
体系认证/System certification
产品认证/Product certification
推荐新闻
Recommend
UL认证线槽有哪些公司生产?
2025年上海工博会第25届中国国
康哲自动化:PVC线槽源头工厂,引
阻燃尼龙软管得UL94v-0检测方
波纹软管的选用?
UL认证PVC线槽在冬天的表现如何
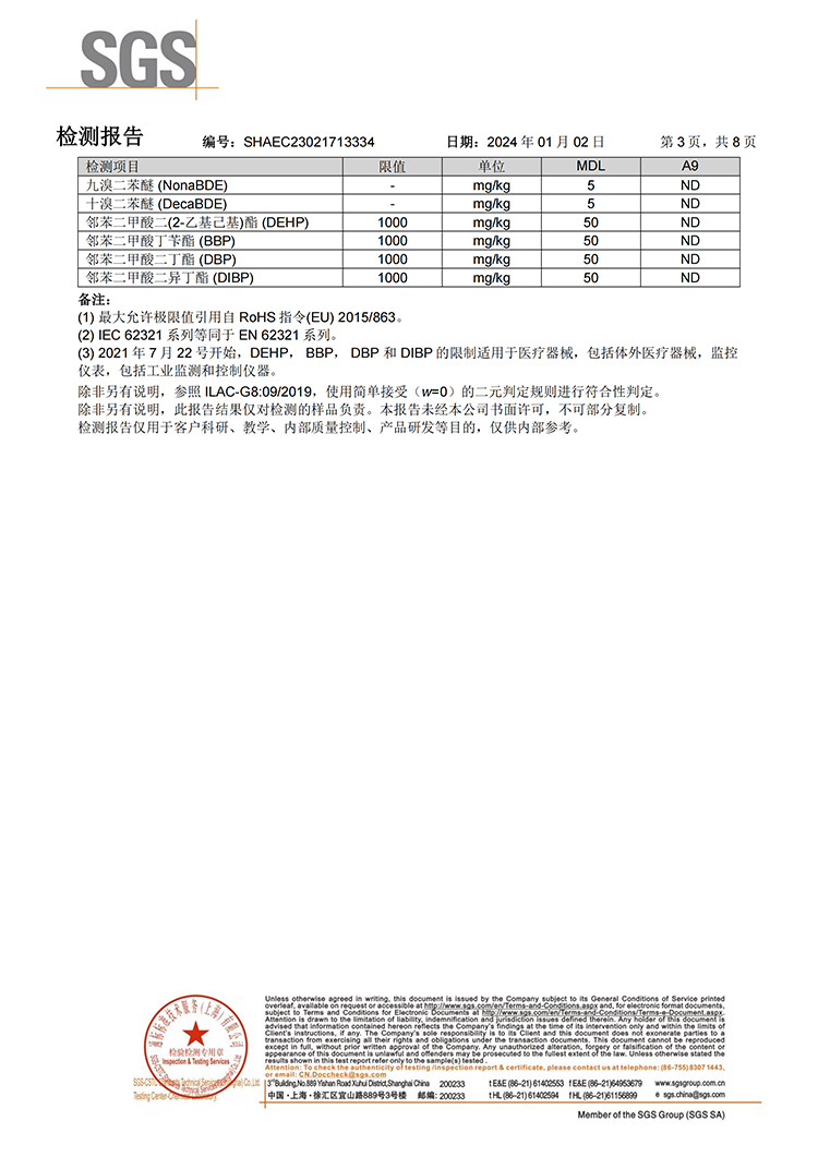
卷式结束带原料ROHS
底部导航 Bottom Navigation
新闻咨询
News
产品中心
Product
应用案例
Case
关于我们
AboutUs
公司资质
Contact Us
产品中心 Product
电气布线类 Electrical wiring category
机械布线类 Mechanical wiring category
接线端子类 Terminal block type
线缆标识类 Cable identification category
束线套管类 Bundle conduit type
护线环类 Wire protection ring type
联系我们 Contact Us
全球服务热线 Global Service Hotline:139-6177-1104
备案号:
苏ICP备13052556号-1
我们真诚为您服务
We sincerely serve you